other
منتجات
منزل، بيت تحول تبديل الشريحة مفتاح تبديل 6 دبابيس و2 قطب و2 رمية

مفتاح تبديل 6 دبابيس و2 قطب و2 رمية

مفتاح التحكم 2P2T Slide Switches ثنائي القطب مزدوج الاتجاه (2Pole 2Throw) يتيح التبديل ثنائي الحالة لدائرتين مستقلتين (على سبيل المثال، تشغيل/إيقاف، اختيار الوضع) عبر عملية اهتزاز، وهو مثالي للسيناريوهات التي تتطلب التحكم المتزامن للدوائر المزدوجة.

  • ماركة:

    Gangyuan
  • رقم الصنف.:

    SS22E01-EG4
  • طلب (موك):

    1000
  • دفع:

    100% before production
  • أصل المنتج:

    Wenzhou
  • اللون:

    Black
  • ميناء الشحن:

    Ningbo or Shenzhen
  • المهلة:

    7-15 working days
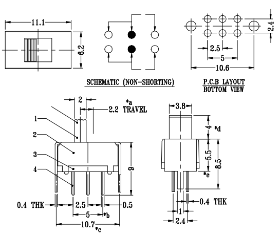
  • عرض

    11.10mm x 6.20mm
  • نوع التركيب

    Through Hole
  • lllumination

    Non-llluminated
  • مستوي رقم التعريف الألكتروني

    No IP Rating
  • تفاصيل المنتج

مفتاح معدني منزلق ON-ON DPDT للألعاب


المواصفات النموذجية


يكتب: مفاتيح انزلاقية ذات وضعين

التقييمات: DC50V 0.5A

قوة التشغيل: 250±100gf

السفر الكامل: 2.2±0.2 مم

التوقيت: غير مختصر

عمر التشغيل: 10000 دورة

مقبض مفتاح الشريحة: 4 مم

نطاق درجة الحرارة العملية: -20 درجة مئوية ~ +70 درجة مئوية


أبعاد مفتاح الشريحة

مفاتيح انزلاقية غير قابلة للتقصير


مقدمة عن مفتاح التبديل


مفتاح التبديل هو جهاز يُشغّل الدائرة أو يُطفئها بتحريك مقبضه. من الأنواع الشائعة لمفاتيح التبديل:

أحادي القطب ثنائي الوضع، أحادي القطب ثلاثي الوضع، ثنائي القطب ثنائي الوضع، وثنائي القطب ثلاثي الوضع. يُستخدم عادةً في الجهد المنخفض.

تتميز هذه المفاتيح بحركة منزلقة مرنة وأداء مستقر وموثوق. تُستخدم مفاتيح التبديل على نطاق واسع في مختلف

الأجهزة/العدادات، والألعاب الكهربائية المختلفة، وأجهزة الفاكس، والمعدات الصوتية، والمعدات الطبية، ومعدات التجميل، وغيرها من المنتجات الإلكترونية.



ترك رسالة

إذا كانت أنت مهتم بمنتجاتنا وتريد معرفة المزيد من التفاصيل، يرجى ترك رسالة هنا، وسوف نقوم بالرد عليك حالما نحن CAN.

منتجات ذات صله
 Slide Switch
مفتاح منزلق ذو ثقب من نوع SPDT

هيكل سهل، جسم صغير، 3 أطراف، مقبض عمودي، 1 قطب 3 أوضاع، مقبض منزلق.

Slide Switch
مصغرة التبديل الشريحة الأفقية 3 موقف

التبديل الشريحة الأفقية، مقبض موجة أو شكل V، 1 القطب 3 موقف، PCB تصاعد.

Slide Switch
سطح جبل SMD تبديل الشريحة

SMD نوع التبديل الشريحة، الجسم المصغر، والتعامل بسهولة، ومحطة تصميم جبل السطح مع 2 مراكز، وقابلة للتطبيق عن بكرة التعبئة.

Slide Switch
SPDT مصغرة الشريحة التبديل مع مقبض أبيض

جنبا إلى جنب مقبض بيضاء، قطب واحد اثنين رمي، PCB تصميم تصاعد، 3 محطة، بالتبني في بكرة التعبئة.

Slide Switch
2P3T تشغيل الجانب SMD تبديل الشريحة

جنبا إلى جنب knob، 2P3T اكتب، 8 الطرف، الشكل المصغر لثنائي الفينيل متعدد الكلور، أيضا مكونات رائعة DIY.

slide switch
2P3T مفاتيح الشريحة الصغيرة للمنتجات الصوتية

2P3T مفاتيح الشريحة الصغيرة للمنتجات الصوتية،بنية سهلة، جسم مصغرة، 8 محطة، مقبض رأسي، 2 القطب 2 موقف، مقبض انزلاق المحرك.

slide switch
6 موقف ل PCB مصغرة SMD تبديل الشريحة

MSK-01-B: 7.1mmx3.5mm، 180GF، 2P2T نوع الشريحة التبديل.

slide switch
8 way mini pcb SMD DC6V 2P3T تبديل الشريحة

MSK-01Q: 9.9mmx3.2mm ، 180GF / 250GF، 2P3T نوع الشريحة التبديل.

حقوق النشر © 2026 Wenzhou Gangyuan Electronics Co., Ltd.. كل الحقوق محفوظة. طاقة من

دعم شبكة IPv6.

أعلى

ترك رسالة

ترك رسالة

    إذا كانت أنت مهتم بمنتجاتنا وتريد معرفة المزيد من التفاصيل، يرجى ترك رسالة هنا، وسوف نقوم بالرد عليك حالما نحن CAN.

  • #
  • #
  • #
  • #
    تحديث الصورة