
إن المشفر الدوار الرقيق ذو 12 نوعًا هو نوع أو سلسلة محددة من المشفرات الدوارة الرقيقة المستخدمة للكشف عن زاوية الدوران أو الموضع أو السرعة أو الاتجاه.
ماركة:
Gangyuanرقم الصنف.:
GE1202-D1-F8.8/2-24Pطلب (موك):
100دفع:
100% T/T Before Productionأصل المنتج:
Chinaاللون:
Black and Whiteميناء الشحن:
WenZhou/Shenzhenالمهلة:
7-14 Working Days For Paymentعرض
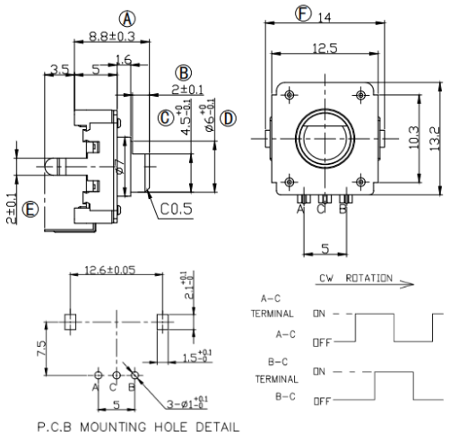
14.00mm x 13.20mmنوع التركيب
Through Holelllumination
Non-llluminatedمستوي رقم التعريف الألكتروني
No IP Ratingوحدة ترميز دوارة ميكانيكية مثبتة على لوحة EC12 ذات ثقب من خلال الفتحة
حدود
يكتب: مشفر دوار رأسي بدون مفتاح زر ضغط
نطاق درجة حرارة التشغيل: من -40±2 درجة مئوية إلى +70 درجة مئوية
نطاق درجة حرارة التخزين: من -40 درجة مئوية إلى +85 درجة مئوية
اتجاه دوران العمود: 24P
الدقة: 24 نبضة/360 درجة
عدد وموضع الحاجز: 24 حاجزًا
رسم
ما هو المشفر التدريجي؟
المشفر التدريجي هو جهاز استشعار يكتشف الموضع النسبي والاتجاه وسرعة العمود الدوار عن طريق إخراج إشارات النبضة (مثل الطور A والطور B).
لا يمكنه توفير معلومات الموقع المطلقة مباشرةً، ولكنه يتميز بمزايا مثل بساطة هيكله وانخفاض تكلفته وسرعة استجابته. ويُستخدم على نطاق واسع في الأتمتة الصناعية.
التحكم في المحركات والأجهزة والتطبيقات الأخرى حيث لا تكون متطلبات الموضع المطلق عالية.
• يستخدم النبض عادةً 12 و24
• يمكن تحديد طول وشكل قلب العمود
إذا كانت أنت مهتم بمنتجاتنا وتريد معرفة المزيد من التفاصيل، يرجى ترك رسالة هنا، وسوف نقوم بالرد عليك حالما نحن CAN.
فئات
حقوق النشر © 2025 Wenzhou Gangyuan Electronics Co., Ltd.. كل الحقوق محفوظة. طاقة من
دعم شبكة IPv6.